我要看完整版色戒电影梁朝伟主演,非常**在线观看免费完整版,亚洲综合色成在线播放,莉莉电影电视剧免费在线观看,俺去俺来也在线www色官,九色视频导航,精品一级电影

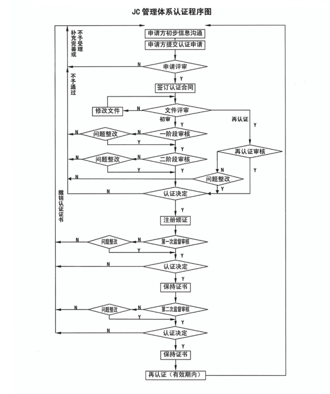
JC管理體系認(rèn)證程序圖/ Certification Process